Ein Beitrag von
Sönke hat 100.000 Seemeilen Erfahrung im Kielwasser und von 2007 bis 2010 zusammen mit seiner Frau Judith die Welt umsegelt. Er veranstaltet diverse Seminare auf Bootsmessen (siehe unter Termine) und ist Autor der Bücher "Blauwassersegeln kompakt", "1200 Tage Samstag" und "Auszeit unter Segeln". Sönke ist zudem der Gründer von BLAUWASSER.DE und regelmäßig mit seiner Frau Judith und seinen Kindern auf der Gib'Sea 106 - HIPPOPOTAMUS - unterwegs.
Der Keilriemen ist eine wichtige Komponente des Motors
Der Keilriemen fristet im Motorraum eine Art Schattendasein. Er ist ein unauffälliger, in der Regel treuer Begleiter, der immer zu funktionieren scheint. Aber auch wenn die Lebensdauer eines Keilriemens sehr groß zu sein scheint, ist sie endlich! Daher gehört der Keilriemen gelegentlich gewechselt, damit er nicht in einem ungünstigen Moment den Dienst versagt.
Mehr noch: Ein funktionierender Keilriemen ist wichtig für den Betrieb des Bootsmotors. Er treibt verschiedene periphere Systeme wie beispielsweise die Lichtmaschine oder die Kühlwasserpumpe an. Ein gerissener Keilriemen kann folglich zu einer Überhitzung des Motors und anderen (Folge-)Schäden führen. Daher ist es wichtig, den Keilriemen regelmäßig auf Verschleiß zu überprüfen.

Im Rahmen der Motorwartung sollte er in Anlehnung an die Herstellervorgaben von Zeit zu Zeit gewechselt werden. Idealerweise ist in der Bedienungsanleitung des Bootsmotors das Wechselintervall vermerkt.
Darüber hinaus ist es hilfreich, als Segler den Wechsel des Keilriemens zu beherrschen, falls er auf See mal unvorhergesehen den Dienst versagt beziehungsweise reißt. Außerdem ist es dann wichtig, einen Ersatzkeilriemen an Bord zu haben.

Vorbereitung des Keilriemenwechsels am Bootsmotor
Dankenswerterweise werden für den Wechsel des Keilriemens normalerweise nur zwei Dinge benötigt: ein neuer Keilriemen und die passenden Schraubenschlüssel.
Vor dem Wechsel sollte die Motorbatterie getrennt werden, um ein versehentliches Starten der Maschine zu verhindern. Außerdem wird mit elektrisch gut leitenden Schraubenschlüsseln dicht an der Lichtmaschine gearbeitet, an deren Rückseite die Plusleitung der Motorbatterie angeschlossen ist. Ein Kurzschluss durch eine Verbindung mit der Motormasse hätte verheerende Folgen – bis hin zum Feuer im Schiff.

Sinn ergibt auch, dass der Motor zuvor länger nicht gelaufen und abgekühlt ist, bevor mit dem Wechsel des Keilriemens begonnen wird. Ein heißer Motor birgt Verletzungsgefahren durch Verbrennungen. Letzteres lässt sich nicht immer vermeiden, insbesondere wenn der Keilriemen unverhofft gerissen ist und zügig repariert werden muss, um weitermotoren zu können.
Den alten Keilriemen beim Bootsmotor entfernen
In den meisten Fällen muss der Motorraum geöffnet oder zumindest eine Abdeckung entfernt werden, um Zugang zum Keilriemen zu erhalten. Die genaue Vorgehensweise kann je nach Bootstyp und Motormodell variieren. Ein Blick in das Handbuch des Motors gibt Aufschluss über die genaue Position, die Bauart und die Größe des Keilriemens.

Üblicherweise ist die Halterung der Lichtmaschine am Bootsmotor so konstruiert, dass mit ihr der Keilriemen gespannt werden kann. Dabei wird die Lichtmaschine von mindestens zwei Schrauben gehalten. Sie müssen beide gelöst werden, damit man die Lichtmaschine zur Seite drehen und Spannung vom Keilriemen nehmen kann. Wurde die Lichtmaschine weit genug gedreht, lässt sich der alte Keilriemen ohne großen Kraftaufwand entfernen.

Wenn der Keilriemen gerissen ist, gilt es, die zugehörigen Komponenten wie beispielsweise Lichtmaschine oder Wasserpumpe auf Abnutzung oder Scharfkantigkeit zu kontrollieren, da ein gerissener Keilriemen auch ein Indikator für Probleme an diesen Teilen sein kann.

Den neuen Keilriemen am Bootsmotor montieren
Der neue Keilriemen wird auf die entsprechenden Scheiben aufgelegt. Dabei ist darauf zu achten, dass der Riemen korrekt in der jeweiligen Rille liegt und nicht verdreht ist. Dies ist besonders wichtig, um eine gleichmäßige Spannung sicherzustellen.

Mitunter ist es nicht möglich, exakt den gleichen Keilriemen zu bekommen, weil ein passendes Ersatzteil gerade nicht zu Verfügung steht. Dann kann man sich gegebenenfalls mit einem anderen Modell vorübergehend behelfen. Mehr zu den verschiedenen Typen und Bezeichnungen folgt gleich noch.

Die Keilriemenspannung einstellen
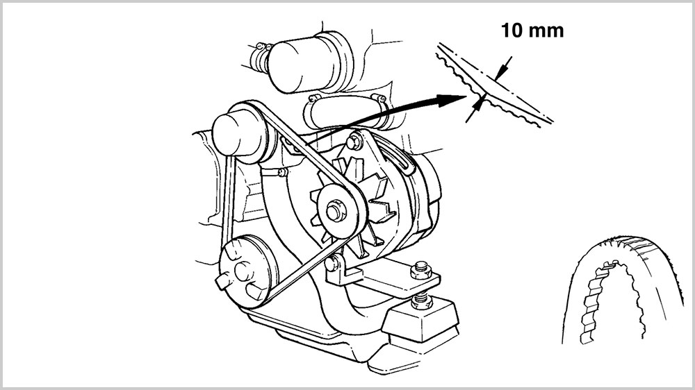
Nun wird die richtige Keilriemenspannung eingestellt. Dies geschieht durch das Justieren der Spannschrauben an der Lichtmaschine. Der Keilriemen sollte fest sitzen, aber nicht zu stramm gespannt sein. Ein zu lockerer Keilriemen kann durchrutschen und in der Folge eine unzureichende Batterieladung/Kühlwasserzirkulation mit sich bringen. Ein zu stramm gespannter Keilriemen kann die Lager der angetriebenen Komponenten beschädigen. Als Faustregel gilt: Der Riemen sollte sich bei leichtem Druck etwa einen Zentimeter durchbiegen lassen. Ein warmer Keilriemen gibt mehr nach als ein kalter.

Tipp: Zum Spannen kann man eventuell mit einem größeren Schraubenzieher oder Schraubenschlüssel gegen den Motorblock hebeln (siehe Foto). Dabei ist aber Vorsicht geboten, damit man am Motor nichts beschädigt.

Kontrolle und Probelauf mit dem neuen Keilriemen
Nachdem der neue Keilriemen montiert und gespannt ist, sollte die gesamte Installation noch einmal überprüft werden. Es ist sicherzustellen, dass alle Schrauben fest angezogen sind und der Keilriemen in allen Rillen korrekt liegt. Anschließend wird die Batterie wieder angeschlossen und der Motor gestartet.
Der Motor sollte einige Minuten laufen, während der Riemen beobachtet wird. Ungewöhnliche Geräusche oder Vibrationen können auf eine falsche Spannung oder eine fehlerhafte Installation hinweisen. In diesem Fall muss die Spannung gegebenenfalls noch einmal nachjustiert werden.

Wartung und Ersatz von Keilriemen auf Yachten
Der Keilriemen sollte regelmäßig überprüft werden, insbesondere vor längeren Törns, beispielsweise empfiehlt der Hersteller Volvo Penta alle 14 Tage eine Sichtkontrolle. Wenn der Keilriemen Anzeichen von Verschleiß wie Risse, Ausfransungen oder Glanzstellen aufweist, ist ein Wechsel fällig.
Der Verschleiß des Keilriemens macht sich auch durch schwarze Abriebspuren und/oder eine Abnahme der Riemenstärke bemerkbar (was nebenbei bemerkt auch zu einer nachlassenden Keilriemenspannung führt). Sitzt ein Keilriemen zu locker, kann sich dies durch lautes Quietschen oder pfeifende Geräusche bemerkbar machen.

Ein Ersatz-Keilriemen sollte immer an Bord sein, um im Notfall schnell reagieren zu können. Ich habe es mir angewöhnt, immer mindestens zwei Keilriemen an Bord zu haben. Zum einen kosten sie nicht viel und zum anderen ist die Suche mitunter recht aufwändig, da bei einigen Bootsmotoren Keilriemen eingesetzt werden, die im Kfz-Handel wenig verbreitet sind.

Typen, Bauarten und Bezeichnungen von Keilriemen
Keilriemen haben in der Regel an irgendeiner Stelle eine Bezeichnung aufgedruckt. Sie besteht üblicherweise aus drei Angaben, die in einer Buchstaben-Zahlen-Kombination verklausuliert werden.
- Länge
- Breite
- Profiltyp
Die Länge eines Keilriemens wird üblicherweise in Millimetern oder Zoll angegeben. Dabei gibt es verschiedene Längenmaße. Trägt ein Keilriemen in seiner Bezeichnung den Zusatz „La“ ist die Außenlänge des Riemens angegeben. Bei „Li“ entsprechend die Innenlänge des Riemens. Es gibt auch noch „Ld“. Dann bezieht sich der Messwert auf die effektive Länge, die in der neutralen Zone des Riemens, in der keine Dehnung oder Kompression auftritt, gemessen wird.

Die Breite des Riemens geht oft aus dem Profiltyp hervor, sie kann aber auch direkt angegeben sein. Auch hier üblicherweise in Millimetern oder Zoll.
Der Profiltyp wird in der Regel durch einen oder mehrere Buchstaben angegeben. Sie beschreiben den Querschnitt des Keilriemens beziehungsweise seine Form und Größe. Einzelbuchstaben wie A, B, C, D und Z bezeichnen klassische, keilförmige Keilriemenprofile. In dem Fall steht der Buchstabe „A“ für eine Breite von 13 Millimetern.

Schmalere Keilriemenprofile, die für höhere Belastungen bei kompakteren Abmessungen ausgelegt sind, werden beispielsweise mit dem Zusatz „SP“ versehen, also SPA, SPB. Rippenriemen erkennt man an einem „P“. Bei einigen Bootsmotoren kommt ein „X“ vor. Das sagt aus, dass der Keilriemen eine verzahnte Innenfläche hat. Das erlaubt dem Keilriemen eine bessere Anpassung an kleinere Riemenscheiben.
Logischerweise gibt es eine Vielzahl an Möglichkeiten bei den Typen und es sprengt hier den Rahmen des Beitrags, sie alle wiederzugeben. Im Internet findet man aber einige Listen. Im Grunde genommen muss man die Bezeichnungen auch gar nicht kennen, sondern den gleichen Keilriemen als Ersatzteil einsetzen, den der Hersteller vorgesehen hat.

Fazit
Kurzum: Das Wechseln des Keilriemens ist eine einfache, aber wichtige Wartungsaufgabe. Mit etwas Übung und den richtigen Werkzeugen ist der Wechsel in wenigen Minuten erledigt. Wer eine regelmäßige Sichtkontrolle vornimmt und mindestens einen Ersatzkeilriemen an Bord mitführt, sollte von bösen Überraschungen weitestgehend verschont werden.
























